2024年10月19-20日,第二屆中國數字交通創新發展大會在成都隆重舉行。眾多行業精英、專家學者及企業代表齊聚一堂,共同探討數字交通領域的前沿技術與未來發展趨勢。19日下午,北京和利時系統工程有限公司副總裁兼總工程師汪小亮在“數智時代軌道交通數字化轉型應用研討會”上發表《融通創新的基礎信號“數”“智”化解決方案》的主題演講,為數字交通的創新發展帶來新的思路和突破。
在演講中,汪小亮主要從“技術現狀”、“解決方案”、“方案特點”三個方面展開闡述。他表示,當前我國鐵路列車控制系統中基礎信號設備主要涵蓋道岔、信號機和軌道電路,當前基礎信號設備仍存在系統復雜、技術難度大、工程設計和施工難度高、維護困難等問題。為了有效解決這些問題,和利時推出了全新的基礎信號“數”“智”化解決方案。
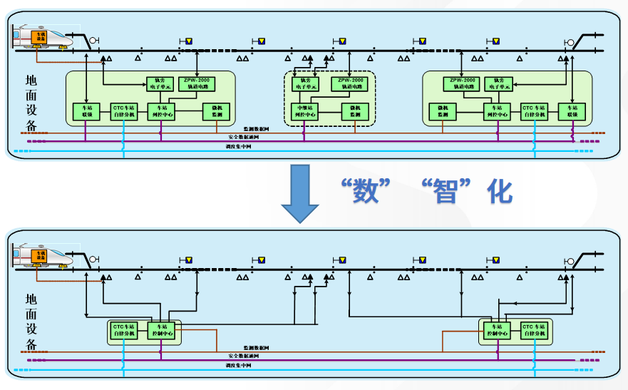
多層融合 解決思路
該方案基于普速鐵路信號方案及客專鐵路信號方案,采用了全電子聯鎖技術、區間一體化軌道電路技術、站內車站數字化軌道電路技術、安全通信技術及智能算法,實現了四個層面的深度融合:
“功能融合”——整合了站內與區間功能,確保“一條路”僅有一個“控制中心”,同時兼顧運營維護功能;
“技術融合”——將先進的電子技術與通信技術融入基礎信號安全控制,以實現資源共享;
“設備融合”——推動室內設備集成化,并將執行設備“軌旁化”和“智能化”;
“數據融合”——充分利用應用層、平臺層、驅動層數據以及設備監測數據,以實現鐵路運輸維護的智能化。
數字賦能 創新實踐
在融合創新思路下,數字化基礎信號方案整合室內聯鎖設備、組合電路、列控中心等,實現站內聯鎖功能、區間自動閉塞功能以及站間傳輸功能,將涉及軌道電路、信號及轉轍機等相關執行電路、采集及驅動全部軌旁化。室內設備歸一為“中心”,與室外“軌旁”,實現“控制”與“執行”兩層,完全釋放了物理空間和傳輸媒介的限制。為此可取消中繼站設置,僅在車站內設置地面控制中心和CTC、軌道電路通信網絡、道岔通信網絡和信號機通信網絡以及站間通信網絡,實現室內與室外軌旁設備和車站間的進行數字信息交互。
助力發展 創享價值
基礎信號系統的全電子化進一步優化系統架構及控制邏輯,有效降低建設和施工成本,減少能源消耗,實現精準故障定位和故障預警,從而提高運維效率、確保安全性。
和利時作為國內領先的交通控制系統解決方案和服務提供商,致力于為用戶提供更可靠、更安全、更智能的技術及產品。未來,和利時將堅持自主創新,依托其深厚的技術基礎和創新優勢,加強產品的數字化研究,共同探索新技術、新方案在交通領域的應用,為交通行業的智能化、數字化發展貢獻更多力量。














